Ligue para nós

+86-18106653002

Envie -nos um email

Solicitar consulta

Produtos de alta qualidade podem ser adquiridos
Lar » Produtos » Ferramentas de envolvimento no solo » Use peças » Barras Grizzly » Proteção da caçamba da escavadeira tipo B barra de desgaste DLP-2071

Categoria de produto

Categoria de Produto

Proteção da caçamba da escavadeira tipo B barra de desgaste DLP-2071

Status de disponibilidade:
Quantidade:
facebook sharing button
twitter sharing button
line sharing button
wechat sharing button
linkedin sharing button
pinterest sharing button
whatsapp sharing button
sharethis sharing button
  • Balde de escavadeira

  • Escavadora

  • CE

  • Novo

  • 305X100X87,5X(38+12=50)

  • Fundição

1. Descrição:
Nome: Barras Grizzly DLP-2071
Descrições:
Material: ferro branco e aço macio
Dureza: HRC63

Fácil de cortar - permitindo personalizar a proteção para diferentes
Fácil de dobrar – oferece proteção em uma superfície contornada.
Use barras de apoio com placa de apoio pré-entalhada.
Disponível em 5 tamanhos - com placa de apoio padrão ou pré-entalhada.


Tiras de desgaste da caçamba.
Substitui o revestimento duro para brocas, cabeças de perfuração direcionais, perfuração de fundação e perfuração de furo elevado.
Revestimentos das pás do ventilador.
Pás, pontas e raspadores do moinho Pug.
Indústria de reciclagem.
Patins para plaina de estrada e protetores de picareta.
Substitui o revestimento rígido de carcaças de bombas e impulsores

2. Nossa linha de produtos
Proteção da caçamba da escavadeira tipo B barra de desgaste DLP-2071

3. Itens populares para referência:
Proteção da caçamba da escavadeira tipo B barra de desgaste DLP-2071
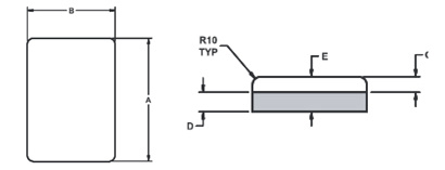
Número da peça Um (mm) B (mm) C (mm) D (mm) E (mm) Peso (kg)
DLP-1920 75 25 17 8 25 0.7
DLP-1921 100 50 17 8 25 1.1
DLP-1994 100 70 24 8 32 1
DLP-2196 130 80 15 8 23 1.3
DLP-4771 148 108 25 10 35 2.3
Proteção da caçamba da escavadeira tipo B barra de desgaste DLP-2071
Número da peça Um (mm) B (mm) C (mm) D (mm) E (mm) Peso (kg)
DLP4 300 38 25 8 33 3
DLP295 153 38 25 8 33 1.6
DLP508 190 50 20 10 30 2.3
DLP125 230 50 38 12 50 4.6
DLP1101 150 50 40 10 50 3
DLP528 150 75 40 10 50 4.5
DLP619 150 75 50 10 60 5.3
Proteção da caçamba da escavadeira tipo B barra de desgaste DLP-2071
Papel # Um (mm) B (mm) C (mm) D (mm) E (mm) Peso kg
SB 413 200 150 20 25 45 10.5
SB 412 250 150 20 25 45 13.1
SB 414 250 250 20 25 45 22

4. Nosso armazém:
Proteção da caçamba da escavadeira tipo B barra de desgaste DLP-2071


5. Informações da empresa

Ningbo Beneparts Machinery co., Ltd como seu fornecedor confiável de peças GET, oferecendo uma gama completa de peças de reposição adequadas para todos os tipos de máquinas de terraplanagem que se aplicam à mineração, construção, agricultura, etc. breve.As peças de reposição que fornecemos, incluindo peças fundidas, como dentes de caçamba, adaptador, proteção de lábio, protetor, haste do escarificador, etc. e peças forjadas, como dentes de caçamba forjados, aresta de corte, lâminas de niveladora, segmento, ponta final, etc., e também peças resistentes ao desgaste como barras de choque, botões de desgaste, placa de desgaste combinada de cromo, etc. e peças correspondentes como pino, arruela, parafusos e porcas, etc.

A Beneparts tem uma equipe de vendas muito forte e um fabricante que coopera firmemente com alta tecnologia e foco na qualidade com mais de 28 anos de experiência.

Nossas vantagens são quádruplas:
1.forte equipe técnica, e temos a capacidade de formular materiais para atender às necessidades específicas dos projetos de nossos clientes.
2. Sistema de monitoramento de qualidade perfeito e gama completa de instalações avançadas, como máquina de análise de componentes, máquina de impacto, máquina de resistência à tração, etc.
3. Rica experiência para fazer negócios OEM/ODM, podemos desenvolver itens conforme desenhos e amostras se você tiver requisitos específicos.
4. Gestão eficiente, podemos reduzir o tempo de entrega e temos um bom serviço pós-venda que mantém a cooperação comercial de longo prazo com nossos clientes.

Nosso compromisso com você é sempre fornecer um atendimento ao cliente rápido, conveniente e eficaz.
Ansiosos para conhecê-lo!




em um: 
sob um: 

Siga -nos

Ningbo Beneparts Machinery Co., Ltd (BP) é um fabricante profissional especializado na produção de ferramentas de penetração no solo há mais de 30 anos.

Máquinas

Categorias

Contate-nos

sales2@beneparts.cn
+86-18106653002
+86-18106653002
No.1107-12a02 Tiantong North Road, Ningbo, China. 315100
Direitos autorais ©️ 2023 Ningbo Beneparts Machinery Co., Ltd.
Deixar mensagem
CONTATE-NOS